Buizenversterker  KT77 PP long tail fasedraaier.

Na de el 84 werd het tijd voor iets groters met wat meer design, dat was mijn gedachten. Ik heb van karton eerst een model gemaakt en nadat ik daar over tevreden was heb ik langzaam de onderdelen bij elkaar gespaard. Deze versterker zou  ong 40w  in klasse B moeten leveren  met 12 watt klasse A. Ik  wilde ook werken met dezelfde buisvoet om hetzelfde type buis te gebruiken, puur voor het design. De buizen zijn 1x 12sn7 als voorversterker, 2x 6sn7 als fasedraaier en daarachter komen dan de KT77.

Zoals hierboven te zien is zijn er 2 cilinders waaronder de UGT's komen en de voeding komt midden onder de UGT's te zitten, allemaal ringkerntrafo's van Amplimo.

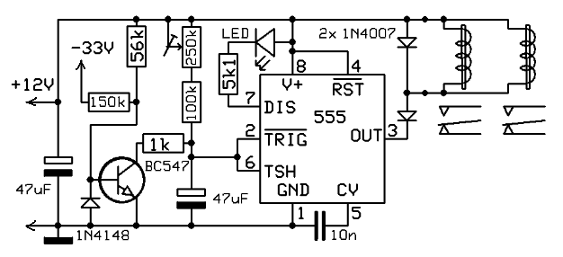
Daar begon wel een probleempje, wat ringkern trafo's hebben een hoge opstartstroom en daardoor zou er evt. een 230v automaat door kunnen gaan, dat is opgelost door er een NTC tussen  te plaatsen waardoor en langzaam spanning wordt opgebouwd en en het relais wordt ingeschakeld dat de volledige stroom doorlaat.

Omdat je niet wil dat terwijl de gloeispanning er nog niet opstaat de volle 400v er op komt is er een inschakelvertraging ingebouwd die ongeveer 20sec. wacht voor de spanning er op komt, anders zouden de elco's  wel een flinke oplawaai krijgen. Vervolgens  heb ik de aluminium kast laten buigen en maken en ben ik begonnen met hout te zagen, te lijmen en te schuren en er daarna een 5 tot 10 lagen blanke lak op te zetten nadat ze waren gebeitst op kleur.

Omdat het een design moest worden wilde ik ook geen schroeven zichtbaar hebben in het chassis, ik vind dat altijd afbreuk doen aan het uiterlijk. Ik heb het chassis dmv glas parelstralen behandeld en krijgt dan een zijdemat effect. Zoals je ziet niet in het midden want dat hoeft niet want daar komt hout overheen. Hoe zitten dan de buisvoeten vast? nou die zitten met een extra chassis onder dit chassis bevestigd waardoor er geen schroeven van de buisvoetjes zichtbaar zijn.

Het hout is van onderen vastgeschroefd en rechtsboven zie je de 2 buizen(koeltorens volgens mijn vrouw)  waarvan het hout nog niet is gebeitst en gelakt.

Goed de kast is klaar het hout gelakt dan kunnen we beginnen met de versterker inbouwen,  Hieronder het schema van de versterker.

Zoals aan de KT77 te zien is is er een bias automaat tussen geplaatst want deze is wel zo prettig omdat je dan niet de ruststroom iedere keer hoeft af te regelen. Dat wil zeker niet zeggen dat alle foutloos verliep, ik had toch nog een transistor verkeerd op de biaspring gemonteerd en bleef problemen houden met de ruststroom waardoor de 1 van de buizen rood liep. Op het http://zelfbouwaudio.nl/ forum hebben een aantal mensen mij goed geholpen met oplossingen zoeken, want het was flink zoeken naar de fout(en). deze bleek te zitten in de tegenkoppeling die gekruist was.

Hierboven staat het printje met de auto bias en daarnaast rechts de volumeregeling en aan/schakelaar met de afstandsbediening  te regelen. Dit functioneert prima, na de vorige versterker merkte ik dat ik dat echt miste, zodat je lekker op de bank kon blijven zitten. Hieronder staat de versterker kompleet afgebouwd en werkend op de kast.

Maak jouw eigen website met JouwWeb