Restauratie Goblin Time spot CR. bj. 1947

Algemene Informatie:

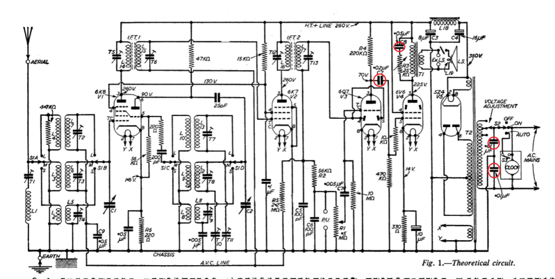
Buisbezetting;  6K7G, 6K8G, 6Q7G, 6V6G, 5Z4G
Gewicht 14 kg
Prijs in 1947;  24 Engelse pond

De Goblin "Time spot"CR is afkomstig uit de Vacuum cleaner  company uit Engeland, Dit was de eerste commerciële  Wekkerradio op de markt in Engeland.  Het blijkt dat er ook een S25 serie is uit dezelfde periode,  die waarschijnlijk de opvolger was van de CR.  Mijn  Cr is waarschijnlijk een van de allereerste modellen en misschien wel een prototype, ik heb veel contact met Engeland en daar heeft niemand een uitvoering als deze waarbij het midden-plaatje  niet de tekst GOBLIN en volume en tone bevat, ook mijn luidspreker van het merk Plessey is anders dan de anderen hebben en  het serie nummer is vreemd omdat het alleen het bj.1947 bevat en geen  serienummer. Alle andere die ik heb gezien bevatten een middenplaatje met tekst. De achterwand is ook afwijkend, maar dat kan iemand er in een later periode op gezet hebben. 

De kast ziet er nog zeer netjes uit, Als ik hem al zou schuren is het oppervlakkig en hem opnieuw lakken, maar voorlopig laat ik hem zo. Er is voldoende werk aan het binnenwerk.
De radio is  ook op 250v gezet in het verleden, dus is later nog gebruikt, van de laatste Engelse eigenaar weet ik dat dit een decoratiestuk was, de stekker en het snoer waren er afgeknipt op 10 cm na en bevat een 3 aderig strijkijzer type. Het blijkt dat in 1947 al geaarde radio's waren  in de UK. 

The radio is completed now, thanks to Kevin from the UK, who helps me at the last knob that was missing.

 

 

De restauratie:

De binnenzijde heeft behoorlijk vliegroest schade op het chassis wat ik erg lelijk vind, waarschijnlijk heeft hij een tijd op een vochtige plaats gestaan.  het hiernaast staande schema bevat 5 buizen. De buizen zijn nog alle van het originele type BRIMAR, waarschijnlijk op  de diode buis na. volgens het schema zou dit een 5Z4G moeten zijn. dit zijn de huidige buizen; U50, 6K6GT, 6K7G, 6Q7G, 6K8GT, de U50 is inmiddels vervangen door een  originele BRIMAR 5Z4G.

De zwarte hoes van de luidspreker is nog wel intact en de stof nog in redelijk goede toestand, net als het luidsprekerdoek.

 

Ik ben begonnen met alle delen bovenop het chassis te verwijderen om het te kunnen glasparelstralen. En daarna gaf ik het chassis een metaal uiterlijk door het met een spuitbus aluminium lak weer op kleur te brengen.   ik heb alles afgeplakt  zodat er geen verf op andere onderdelen terecht komt, de transformator heb ik een wat donkerder grijze kleur gegeven.          

Het ziet er weer een stuk frisser uit, en er kan nu weer worden begonnen met de opbouw van de componenten.

 

luidsprekerdoek en glazen:

Het luidsprekerdoek is geweven riet dat weer in elkaar gedraaid is, het is vuil en ik heb het met tri proberen te reinigen, dat is redelijk gelukt en heb het doek nu binnenstebuiten gemonteerd omdat de binnen en buitenkant identiek is, Wat betreft de 2 kunststof raampjes, deze heb ik heel voorzichtig verwijderd en waren behoorlijk geel uitgeslagen met vlekken op de buitenzijde.  ik heb deze met een polijstmiddel behandeld van binnen en buiten en ze glimmen weer als een keutel in de maneschijn. de glazen op de foto zijn nog niet behandeld.

 

 

 

 

Wijzerplaten en schalen:

Nu kwam het volgende probleem, de wijzerplaten zijn door de tand des tijds behoorlijk kapot gegaan, het aluminium achter de tekening was gaan corroderen waardoor er een soort van bultjes ontstonden, geen gezicht dus en ik moest een oplossing vinden.
Ik heb mijn oude ontwerpsoftware er bij gepakt en ben aan de gang gegaan en heb weer een nieuwe klokplaat gemaakt met de zelfde waarden en afmetingen en originele kleuren. Het lijkt misschien niet zo maar onder de schroefjes kan je nog de originele kleur zien, en die komt op de kleur van oud papier uit, lijkt niet op de foto maar na printen klopt de kleur. Ditzelfde heb ik gedaan voor de zenderschaal indeling, deze is nog redelijk maar ik heb dan liever 2 gelijke platen er op zitten. Ook de volume schaal verdeling is vernieuwd, deze was vrijwel niet meer af te lezen. We gaan straks zien of het mooi is geworden, eerst verder met het volgende punt.

 

 

Condensatoren:

De afstem condensator  stond op een zeer roestig plekje en heb deze  er afgeschroefd en de assen glad geschuurd en het chassis deeltje gestraald en gespoten. Helaas knapte het afstemdraad, maar gelukkig heb ik fijn gevlochten harnas draad wat daar uitstekend geschikt voor is, de dikte is hetzelfde, alleen is de kleur geel, de oude draad was zwart.
De assen zaten flink vast en die heb ik er uitgehaald en opnieuw ingevet waardoor het afstem systeem weer prachtig werkt. De buisweerstand van 10 meg  was de enige weerstand in de radio die een flinke afwijking heeft (was 17meg en zeer onstabiel) en de condensatoren getest en vervangen door een nieuwe in een oud jasje, hiernaast staat een voorbeeld van een van de nieuwe condensatoren die er oud uitziet. Hetzelfde heb ik gedaan voor een elco van 10 uf 25v deze had nog een waarde van 2 uf, ik heb deze verwijderd, uitgeboord en er een nieuwe in geplaatst waardoor hij er nog steeds origineel uitziet. Wat betreft de grote beker elco van 16+8 uf deze was al 30 uf en heb ik voorzichtig open gemaakt en het inwendige verwijderd , en ik weet niet of de inhoud er altijd zo uitgedroogd uitziet maar het was een behoorlijke klomp, beetje thinner er bij in om de boel los te maken en toen het opgelost was de inhoud verwijderd en vervangen door 2 nieuwe elco's van 10 +22 uf van Panasonic. 

 

 

 

De klok:

De klok is het meest gevoelige onderdeel bij deze radio, de spoel die rechtstreeks op 220v werkt is bij de meeste doorgebrand en bij mijn radio dus ook,  Ik heb met een micrometer de dikte van de draad bepaald en die zit op 6/100 ste dus 0,06 mm. om dit dunne draad op te wikkelen zal er een wikkelmachientje moeten worden gemaakt om de draad gelijkmatig af te spoelen en heel licht te remmen, met 0,06 mm hoef je niet veel te doen om breuk te krijgen.
Conrad bied wikkeldraad aan van 0,05 mm dus zeer geschikt voor dit doel, deze wil ik er op gaan spoelen en dan hoop ik dat hij werkzaam zal zijn op 235 volt, maar ik ga dat testen met een variac die ik op kan draaien totdat de klok begint te werken  en dan aflezen hoeveel volt er nodig is. Het draad van conrad is binnen en er zit 1500meter op het rolletje, hoop dat het voldoende is. Ben begonnen met spoelen via een zelfgemaakt fisher techniek wikkellaartje. het gaat prima maar duurt toch nog een uur voor het er op zit en dan.............
Dan blijkt dat het draadje geen goed contact maakt met de dikkere draad, ojee, alles moet er weer af, dus terugspoelen en weer een uur verder, nu goed doormeten dat ik zeker weet dat het draadje contact maakt., plakbandje er over en maar weer spoelen. dan 220v er op via de variac  en HIJ WERKT.  tijdje laten lopen en de lagerpunten oliën. daarna spanning verhoogt naar 235v want dat is mijn thuisspanning tegenwoordig, soms zelfs 245v als de zonnepanelen ook actief zijn. Wijzertjes weer mooi helder rood gemaakt en nu kan de boel weer in elkaar.

 

Het chassis:

Het chassis ziet er weer mooi uit van onderen met vervangen condensatoren en Elco's maar zoveel mogelijk in oude stijl gelaten.

 

 

Opstarten

Nu moet het gebeuren, eerst gekeken of de trafo goed werkt en daarna de buizen geplaatst en voorzichtig de spanning opdraaien. De radio blijft verdacht stil, pas als ik het volume bijna helemaal opendraai hoor ik ruis, Langdraad antenne aangesloten en ja hoor een lokale AM zender een Engelse en Italiaanse zender kwamen te voorschijn, opgelost! Nu alleen nog 1 knop zien te vinden. Ben erg tevreden met dit project. Hij staat nu in de huiskamer te pronken maar moet nog een goede antenne zien te vinden zodat ik op de begane grond ook goede ontvangst heb. De laatste knop is ook gemonteerd op de rechter foto, hij is nu compleet. Als laatste heb ik met lijnolie alle doffe plekken weggehaald en is hij weer helemaal op kleur, 

De radio speelt regelmatig als ik aan het werk ben op zolder met een regionale mg zender.

 

Reactie plaatsen

Reacties

Heleen Buijtelaar
2 jaar geleden

ik ben in het bezit van een goblin time spot radio.
Bent u geinteresseerd?

Koloman Somogyi
6 jaar geleden

OK!!!! Parad!! Gratulaca..

Maak jouw eigen website met JouwWeb