Buizenversterker SV572/3 SE 

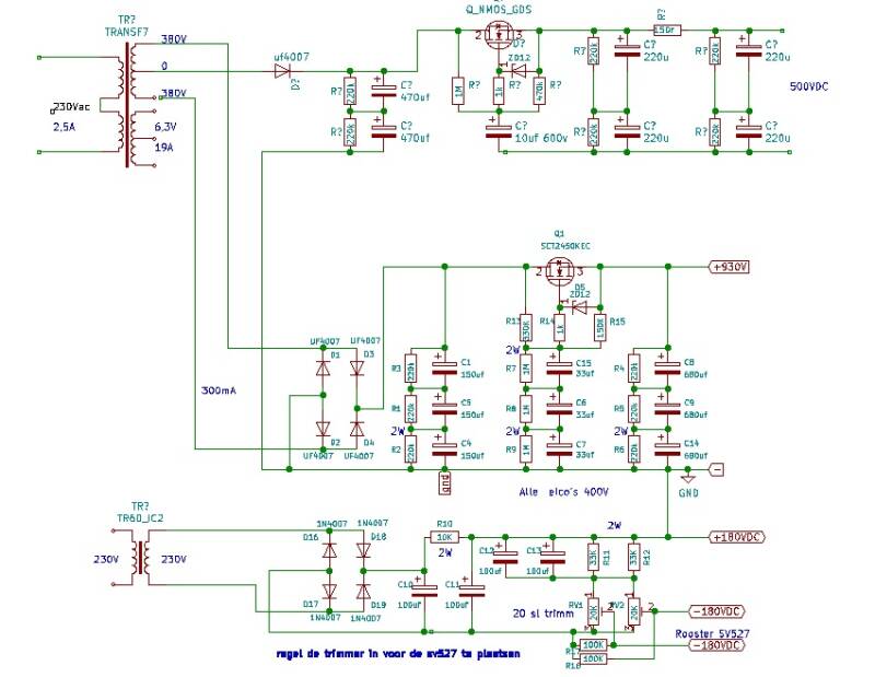
De SV572/3 SE wordt het volgende project, dit keer wordt er gewerkt met serieuze hoogspanning(+900V) waardoor ik extra voorzichtig ben met meten en met mijn vingers in de versterker steken. Het was lastig een goed bruikbaar ontwerp te vinden maar ik heb er een gevonden die ik met grote hulp van Jurgen aangepast heb. Eerst eens de voeding bouwen, de print is ontworpen in Kcad en in China bij JLCPCB  gemaakt, de onderdelen komen weer bij Reichelt en EOO en Amplimo vandaan. Het pi-filter is noodzakelijk om toch alle brom uit de driver te krijgen.

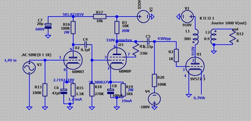
De originele tekening wordt aangepast en de penthode geschakelde 6BM8(ecl82) wordt aangepast als triode schakeling.

met een spanning van 510V wordt daarmee 430Vpp gehaald die nodig is om tot ongeveer 20Wrms te komen.

De voedingstrafo is de 8N1498 van Amplimo die voldoende spanning geeft en voldoende stroom voor de gloei.
De Uitganstrafo's zijn van Leszek Oganowski type LO-SE100/1 ze zijn wat over gedimensioneerd(100Watt) maar als ik in de toekomst er nog een andere buis op wil plaatsen(SV572/10) dekken ze de lading al veel beter.

De kast wordt weer uit China besteld net als de volume regeling met afstandsbediening. Ook de behuizing voor de uitganstrafo's komen uit China. De kwaliteit is van deze producten goed te noemen, maar de prijzen vliegen de laatste tijd omhoog. In 2 jaar bijna verdubbeld.

Zoals hier boven te zien is zal de buis op 60% van zijn dissipatie vermogen werken en daarbij 20W rms leveren. Het laatste deel zal dan wel overgaan in een positief grid wat deze buis mag hebben. 

De stuurbuis bevat een triode en een penthode, die in dit geval als 2 triodes geschakeld zijn en daarmee samen met 1,4V aansturing 430Vpp uit kan sturen. Er moet in dit ontwerp rekening worden gehouden met de hogere spanning en de elco's moeten dus zeker 550/600V kunnen verdragen. De spanning van de driver moest flink omhoog om de  sinus mooi recht te trekken. Nu kijken hoe het verder ontwikkeld. De SV572/3 is een vreemde buis als je hem voor het eerst op spanning zet, de anode wordt lichtrood en de gloei geeft genoeg licht om wat bij te lezen.

Voor de diodes zijn er 4 dubbele gebruikt om de hitte van de dioden te verminderen met enkele loopt de temperatuur op tot 85gr en dat wil je niet, nu worden ze nog 50gr. De gloeispanning moet wel op dc gezet worden om van de hinderlijke brom af te komen. Op deze manier blijft er nog genoeg spanning over voor de gloei. Op de linker foto is de indeling gemaakt van de buiten en binnenzijde van de kast.

De eerste stappen zijn gemaakt, het wordt een hele klus om alles in 1 chassis te krijgen en dan hebben we het nog niet over het gewicht, maar ik ben een voorstander om alles in een chassis te bouwen. Zoals te zien is ben ik nu over gegaan op een betere kwaliteit buisvoeten waarbij een printje wel gewenst is voor het aansluiten van de bedrading. In het middelste gedeelte komt de grote voedings ringkerntrafo te staan.

Alles in de kast gekregen en de eerste spanning er  op gezet, er was een behoorlijke brom die afkomstig was van de driver, nadat ik er een pi-filter tussen had geplaats was de brom voor 99% opgelost, deze laatste restbrom lijkt uit de ingang te komen, moet ik nog maar eens naar kijken of deze echt hinderlijk is. Eerst maar eens luisteren hoe deze versterker klinkt. Nadat de versterker een uurtje heeft gedraaid vond ik dat ik voor de koppelcondensator wel een betere mocht gebruiken, er is nu een Mundorf MESGO-0,33T3.450 0,33uF ingezet en dat laat het middengebied een stuk mooier klinken, ook komt er nog een Alps RK27112MC-LOG10K studio potmeter in, kijken wat dit helpt om links en rechts mooier synchroon te krijgen.

Het bleek dat de brom toch hinderlijker was dan ik dacht en erg lang bezig geweest met de brom weg te krijgen, op een bepaald moment had ik aangegeven dat er naar mijn idee een lus in de 500V voeding zat. Jurgen gaf aan deze te ontkoppelen na de elco's en daarmee was dat opgelost, inmiddels heb er nog 2 extra SV572-3 bij besteld aangezien er bijna niet meer aan te komen is. ook een paar ECL82 van telefunken geplaatst.  Nu genieten van dit prachtige geluid.

 

Maak jouw eigen website met JouwWeb